艾迪机器(杭州)有限公司 版权所有
电话:0571-87177656
邮 箱:xzidea@126.com
地址:杭州市钱塘区文渊北路246号
网站版权注 仿冒必究!
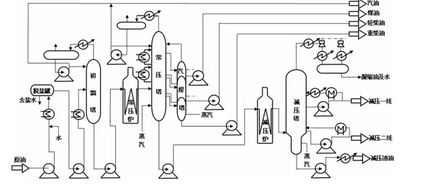
常减压蒸馏直接加工原油,是原油进入炼油厂必须经过的第一道工序,也称原油的一次加工。
基本属于物理化学变化。
借助蒸馏过程,可以将原油分割成相应的汽油、煤油、柴油等燃料,还可以得到供其它炼油装置加工的原料。t

1蒸馏原理
通过加热、汽化、分馏、冷凝和冷却等过程将液体混合物分离成一定纯度的组分
按液体混合物中所含组分的沸点或蒸汽压不同而实现分离
常压蒸馏、减压蒸馏、气提
1工艺流程
原油脱盐、脱水
初馏
常压蒸馏
减压蒸馏
3常减压蒸馏工艺流程图t

根据《广告法》要求,可能我们的宣传描述不够严谨,但仅作为描述性用语,无绝对之意。本公司郑重声明:本文本仅作为宣传用语,若文章中涉及到的绝对化用语或极限词全部作废,凡访问本文者均认为且已知晓并同意这一说明。
艾迪机器是凸轮泵生产厂家,公司产品有凸轮转子泵,活塞转子泵,转子泵,凸轮泵,污泥泵,排污泵,泥浆泵,移动泵车,抽猪粪泵,粪便输送泵,化粪池排污泵,牛粪抽送泵,含油污水提升泵,扫仓泵,油气混输泵装置,原油输送泵,污水泵,铁路真空卸污设备,压滤机进料泵,餐厨垃圾泵,弹性螺旋凸轮泵,旋转活塞泵,旋转活塞转子泵,转载请标明出处。转子泵: http://www.yesmaster.cn/