艾迪机器(杭州)有限公司 版权所有
电话:0571-87177656
邮 箱:xzidea@126.com
地址:杭州市钱塘区文渊北路246号
网站版权注 仿冒必究!
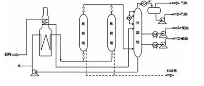
延迟焦化是一种热破坏加工方法,主要以贫氢的重质油如减压渣油为原料,在高温下进行深度热裂变和缩合反应,加工生产出轻质燃料油,同时得到大量石油焦供冶金工业作电极或石墨制品。
主要产品成分:
约70%的液体产品,其中汽油10%-20%,柴油25%-35%
裂化原料(含蜡油)25%-35%
石油气6%-8%
焦炭15%-20%

图为中海油惠州炼油420万吨/年延迟焦化装置
1化学原理

2延迟焦化工艺流程

根据《广告法》要求,可能我们的宣传描述不够严谨,但仅作为描述性用语,无绝对之意。本公司郑重声明:本文本仅作为宣传用语,若文章中涉及到的绝对化用语或极限词全部作废,凡访问本文者均认为且已知晓并同意这一说明。
艾迪机器是凸轮泵生产厂家,公司产品有凸轮转子泵,活塞转子泵,转子泵,凸轮泵,污泥泵,排污泵,泥浆泵,移动泵车,抽猪粪泵,粪便输送泵,化粪池排污泵,牛粪抽送泵,含油污水提升泵,扫仓泵,油气混输泵装置,原油输送泵,污水泵,铁路真空卸污设备,压滤机进料泵,餐厨垃圾泵,弹性螺旋凸轮泵,旋转活塞泵,旋转活塞转子泵,转载请标明出处。转子泵: http://www.yesmaster.cn/